
板對板連接器 >>
排針連接器 >>
圓孔排針連接器 >>
排母連接器 >>
圓孔排母連接器 >>
線對板連接器 >>
FPC連接器 >>
牛角連接器 >>
接線端子系列 >>
Wafer連接器 >>
IDC插座連接器 >>
DIP插頭連接器 >>
D-SUB連接器 >>
USB連接器 >>
IC插座連接器 >>
RJ45連接器 >>
歐式插座系列 >>
PC 104排母連接器 >>
線材系列 >>
深圳市聯豐盈電子有限公司是集研發、生產、銷售、服務于一體的精密接插件及線束的專業廠商,成立于2018年,公司的突出優勢在于研發能力雄厚,擁有大量的專有技術以及行業內非專有技術,其中包括部分專利技術,因此公司還為很多客戶提供了研發、設計及培訓服務。
公司集研發、設計、生產、銷售、服務于一體,專業致力各式線對板連接器、板對板連接器、網絡連接器、射頻連接器、FPC連接器、排針排母等連接器研發設計、模具開發生產制造。產品獲得多項國際安全認證及外觀設計專利等,產品并與國際品牌連接器相兼容。
公司的銷售網絡以華南地區為中心,輻射全國各地,經銷代理商遍布全國,公司在江西設立生產基地,并在全國電子產品集散地和新興工業制造中心設立直銷點,公司在國內已經形成了集研發、制造、銷售及服務一條龍的經營體......
深圳市聯豐盈電子有限公司
總部地址:深圳市寶安區西鄉街道鐵崗社區寶田一路360號嘉皇源商業大廈
工廠地址:深圳市寶安區西鄉街道簕竹角村堅鼎工業園
聯系電話:0755-23003080
聯系電話:13380318687
公司郵箱:3039646610@qq.com
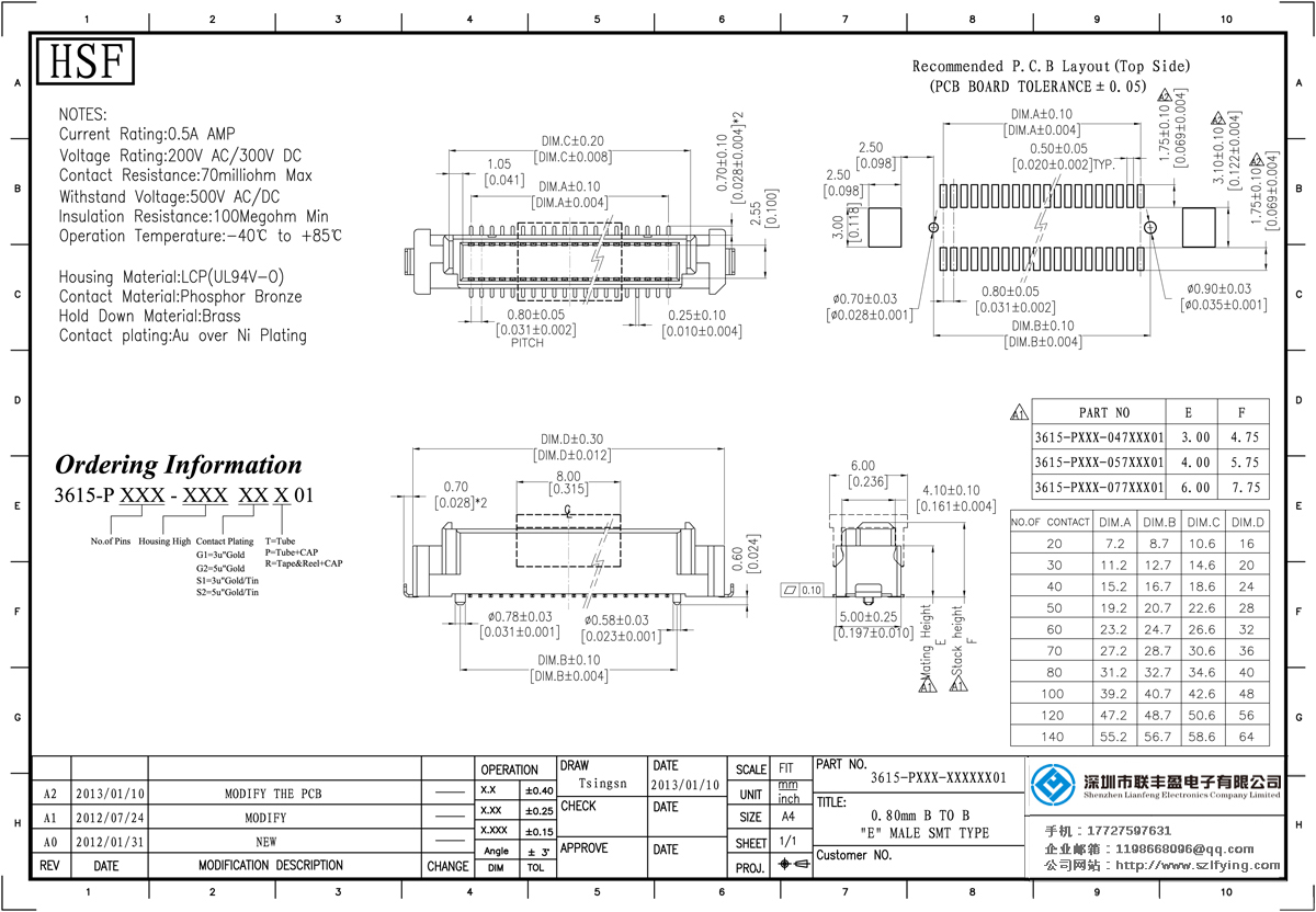
產品分類:Board To Board 連接器 產品型號:聯豐盈 辦公設備 0.8MM 母座 卷裝 Board To Board 技術參數:額定電流:0.5amp電流電阻:65m最大絕緣電阻:1000m承受電壓:交流250V /分鐘工作溫度: